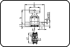
Übersicht
| Dimension | Code | Detail |
da(OD) mm |
da inch |
s mm |
L mm |
t mm |
L2 mm |
L3 mm |
h mm |
b mm |
DN mm |
K mm |
Kv l/min |
L1 mm |
Gewicht | ||||||||||||||||||||||||||
|---|---|---|---|---|---|---|---|---|---|---|---|---|---|---|---|---|---|---|---|---|---|---|---|---|---|---|---|---|---|---|---|---|---|---|---|---|---|---|---|---|---|---|
| 20 | 72.342.1520.11 | 20 - SDR11 ISO S-5 | 20 | 0 | 0.3 | 0,5 | 0 | 0 | 1,9 | 0 | 0.3 | 133 | 3 | 3 | 36 | 1.5 | 1.5 | 24,5 | 0.75 | 0.75 | 0 | 0 | 0 | 100 | 3 | 3 | 85 | 1.5 | 1.5 | 15 | 0 | 0 | M6 | 0 | 0 | 72 | 0 | 0 | 16,5 | 0.75 | 0.75 | 0.451 |
| 25 | 72.342.1525.11 | 25 - SDR11 ISO S-5 | 25 | 0 | 0.3 | 0,75 | 0 | 0 | 2,3 | 0 | 0.5 | 144 | 3.3 | 3.3 | 36 | 1.5 | 1.5 | 24,5 | 0.75 | 0.75 | 0 | 0 | 0 | 100 | 3 | 3 | 85 | 1.5 | 1.5 | 20 | 0 | 0 | M6 | 0 | 0 | 93 | 0 | 0 | 16,5 | 0.75 | 0.75 | 0.454 |
| 32 | 72.342.1532.11 | 32 - SDR11 ISO S-5 | 32 | 0 | 0.3 | 1 | 0 | 0 | 2,9 | 0 | 0.5 | 154 | 3.6 | 3.6 | 36 | 1.5 | 1.5 | 24,5 | 0.75 | 0.75 | 0 | 0 | 0 | 107 | 4.5 | 4.5 | 85 | 1.5 | 1.5 | 25 | 0 | 0 | M6 | 0 | 0 | 221 | 0 | 0 | 20,5 | 0.75 | 0.75 | 0.649 |
| 40 | 72.342.1540.11 | 40 - SDR11 ISO S-5 | 40 | 0 | 0.4 | 1,25 | 0 | 0 | 3,7 | 0 | 0.5 | 193 | 4.5 | 4.5 | 46 | 1.5 | 1.5 | 44 | 0.75 | 0.75 | 0 | 0 | 0 | 144 | 3 | 3 | 135 | 1.5 | 1.5 | 32 | 0 | 0 | M8 | 0 | 0 | 450 | 0 | 0 | 25,5 | 0.75 | 0.75 | 1.414 |
| 50 | 72.342.1550.11 | 50 - SDR11 ISO S-5 | 50 | 0 | 0.5 | 1,5 | 0 | 0 | 4,6 | 0 | 0.6 | 194 | 4.5 | 4.5 | 48,3 | 1.5 | 1.5 | 44 | 0.75 | 0.75 | 0 | 0 | 0 | 144 | 3 | 3 | 135 | 1.5 | 1.5 | 40 | 0 | 0 | M8 | 0 | 0 | 500 | 0 | 0 | 32 | 0.75 | 0.75 | 1.464 |
| 63 | 72.342.1563.11 | 63 - SDR11 ISO S-5 | 63 | 0 | 0.6 | 2 | 0 | 0 | 5,8 | 0 | 0.7 | 224 | 5.25 | 5.25 | 54 | 1.5 | 1.5 | 44 | 0.75 | 0.75 | 0 | 0 | 0 | 170 | 3 | 3 | 135 | 1.5 | 1.5 | 50 | 0 | 0 | M8 | 0 | 0 | 875 | 0 | 0 | 38,5 | 0.75 | 0.75 | 2.259 |
| 75 | 72.342.1575.11 | 75 - SDR11 ISO S-5 | 75 | 0 | 0.7 | 2,5 | 0 | 0 | 6,8 | 0 | 0.8 | 284 | 6 | 6 | 59,5 | 3 | 3 | 230 | 1.5 | 1.5 | 0 | 0 | 0 | 254 | 3 | 3 | 234 | 1.5 | 1.5 | 65 | 0 | 0 | M12 | 0 | 0 | 1.205 | 0 | 0 | 25 | 0.75 | 0.75 | 5.139 |
| 90 | 72.342.1590.11 | 90 - SDR11 ISO S-5 | 90 | 0 | 0.9 | 3 | 0 | 0 | 8,2 | 0 | 1 | 300 | 6 | 6 | 37 | 3 | 3 | 230 | 1.5 | 1.5 | 0 | 0 | 0 | 254 | 3 | 3 | 234 | 1.5 | 1.5 | 80 | 0 | 0 | M12 | 0 | 0 | 1.360 | 0 | 0 | 25 | 0.75 | 0.75 | 5.216 |
| 110 | 72.342.1511.11 | 110 - SDR11 ISO S-5 | 110 | 0 | 1 | 4 | 0 | 0 | 10 | 0 | 1.1 | 340 | 3 | 3 | 50 | 1.5 | 1.5 | 280 | 0.75 | 0.75 | 85 | 0 | 0 | 320 | 3 | 3 | 234 | 1.5 | 1.5 | 100 | 0 | 0 | M12 | 0 | 0 | 3.750 | 0 | 0 | 25 | 0.75 | 0.75 | 9.920 |